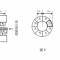
<題組題>[題組:第24題到第26題] 承第25題,試選用適當的參數 \( \omega \cdot r_0 \cdot r_i \cdot B \cdot R \)與常數,來表示下列物理量。
(a)計算單一線圈磁通量最大值 \( \Phi_M \)為何?(2分)
(b)計算單一線圈感應電動勢的最大值 \( \epsilon_M \)為何?(3分)
(c)計算此單一線圈發電可達到最大功率 \( P_M \)為何?(3分)
答案
(a)最大磁通量發生在線圈全在N或S極時,面積 \( A = \frac{1}{8}\pi (r_0^2 - r_i^2) \),\( \Phi_M = B A = \frac{B\pi}{8}(r_0^2 - r_i^2) \)。
(b)由法拉第定律 \( \epsilon = \frac{d\Phi}{dt} \),最大值 \( \epsilon_M = \Phi_M \omega = \frac{B\pi\omega}{8}(r_0^2 - r_i^2) \)。
(c)最大功率 \( P_M = \frac{\epsilon_M^2}{R} = \frac{B^2\pi^2\omega^2}{64R}(r_0^2 - r_i^2)^2 \)。 報錯
ChatGPT DeepSeek




