Posted in

112物理分科測驗–11

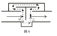
機車在排放廢氣時,常伴隨很大的噪音。利用干涉型消音器可以減低此類噪音,其設計概念如圖4所示。當聲波抵達甲點時使其分為兩股不同路徑,分別行經上方虛線與下方點線,最後在排氣管的乙點會合。假設某機車排氣管內的主要噪音波長為1.0公尺,則下列選項中,兩路徑的長度相差為多少公尺時可以最有效減低噪音?
(A)2.0
(B)1.0
(C)0.75
(D)0.50
(E)0.25

答案

完全破壞性干涉條件:波程差為半波長的奇數倍。波長 \( \lambda = 1.0 \) m,半波長 \( 0.5 \) m。選項中(D) 0.50 m 為 \( \frac{\lambda}{2} \),符合條件。選(D)。 報錯
ChatGPT    DeepSeek

Posted in

112物理分科測驗–12

1868 年法國天文學者發現來自太陽的光譜有幾道特殊的暗紋,推斷是新元素的特性光譜,這個新元素就以太陽的希臘文命名為象。已知太陽光譜會出現上述暗紋的原因,是因為氦原子會吸收特定頻率的人射光子所造成的,則下列敘述何者正確?
(A)某元素光譜的暗紋頻率和氦原子光譜的暗紋頻率相同,則此元素一定是氦
(B)會出現暗紋是因為氦原子會將特定頻率光子繞射到不同的方向
(C)氦原子光譜的暗紋頻率和氦原子光譜的暗紋頻率完全相同
(D)氦原子光譜的暗紋頻率和氦原子光譜的暗紋頻率完全相同
(E)會出現暗紋其實就是因為氦原子會被人射光游離

答案

(A)對:吸收光譜暗紋頻率對應元素能階躍遷,具專一性。(B)錯:暗紋是因吸收特定光子。(C)(D)錯:不同元素光譜不同。(E)錯:吸收光子不一定是游離,可能是激發。選(A)。 報錯
ChatGPT    DeepSeek

Posted in

112物理分科測驗–13

甲、乙兩顆大小相同但質量不同的均勻小球,自同一高度以不同的初速水平拋出,落在平坦的地面上。已知甲球的質量為乙球的 4 倍,但甲球的初速為乙球的一半。若不計空氣阻力,則下列敘述何者錯誤?
(A)乙球的水平射程較大
(B)兩球在空中的飛行時間相等
(C)落地前瞬間,乙球的動能較大
(D)落地前瞬間,兩球的加速度相等
(E)落地前瞬間,兩球速度的鉛直分量相等

答案

高度相同,飛行時間 \( t = \sqrt{\frac{2h}{g}} \) 相同,(B)對。水平射程 \( R = v_x t \),甲初速為乙一半,故乙射程較大,(A)對。落地瞬間鉛直速度 \( v_y = gt \) 相同,(E)對。加速度均為 \( g \),(D)對。動能 \( K = \frac{1}{2}mv^2 \),\( v^2 = v_x^2 + v_y^2 \),乙 \( v_x \) 較大,但甲 \( m \) 為4倍,計算得甲動能較大,(C)錯。選(C)。 報錯
ChatGPT    DeepSeek

Posted in

112物理分科測驗–14

某生練習紙牌魔術,將一疊紙牌水平整齊放置在桌面上,用右手食指以量值為N的正向力向下壓,然後向前水平推動,除了最上方數來第一張紙牌向前水平滑出之外,其他的紙牌皆不動。維持在原來的位置上。假設每一張紙牌的質量皆為m,紙牌與紙牌之間的靜摩擦係數與動摩擦係數分別為μ_s與μ_k,第一張紙牌與第二張紙牌之間作用力的水平分量量值為F_{12},第二張紙牌與第三張紙牌之間作用力的水平分量量值為F_{23},以此類推。令重力加速度為g,且只考慮摩擦力,重力與手指下壓的力,則下列關於第一張紙牌滑出之過程中的選項哪些正確?
(A) \( F_{12} = F_{23} \)
(B) \( F_{12} = \mu_k (N + 2mg) \)
(C) \( F_{23} = \mu_k (N + 2mg) \)
(D) \( F_{23} \leq \mu_k (N + 2mg) \)
(E) \( F_{12} = \mu_k (N + mg) \)

答案

第1張牌:\( N_{12} = N + mg \),\( F_{12} = f_{k12} = \mu_k (N + mg) \),(E)對。第2張牌水平力平衡:\( F_{12} = F_{23} \),(A)對。第2張牌鉛直:\( N_{23} = N + 2mg \),\( F_{23} \leq f_{s23,max} = \mu_s (N + 2mg) \),(D)對。未滑動故 \( F_{23} \) 非動摩擦,(B)(C)錯。選(A)(D)(E)。 報錯
ChatGPT    DeepSeek

Posted in

112物理分科測驗–15

某生產得太陽系中行星的基本資料如表1所示。

行星名稱 水星 金星 地球 火星 木星 土星 天王星 海王星
與太陽的平均距離 0.39 0.72 1.0 1.52 5.20 9.57 19.17 30.18
質量 0.055 0.82 1.0 0.11 317.8 95.2 14.5 17.1
公轉週期 0.241 0.615 1.0 1.88 11.9 29.4 83.7 164
自轉週期 58.8 244 1.0 1.03 0.415 0.445 0.720 0.673

表1中的平均距離、質量、公轉週期、自轉週期等數值,皆是以地球的值設為1時的比值。假設這些行星皆繞太陽作等速率圓周運動,則下列有關表中行星數據的觀察或推論,哪些正確?
(A)離太陽越遠的行星,其公轉角速率越小
(B)離太陽越遠的行星,其自轉角速率越小
(C)離太陽越遠的行星,其繞日運行的速率越小
(D)離太陽越遠的行星,其繞日的角動量量值越小
(E)離太陽越遠的行星,其所受太陽的重力量值越小

答案

(A)對:\( \omega = \frac{2\pi}{T} \),T隨距離增加而增加。(B)錯:自轉週期與距離無明顯趨勢。(C)對:\( v = \frac{2\pi R}{T} \),R增加,T增加更多,故v減小。(D)錯:\( L = m v R \),外行星m大,L可能更大。(E)錯:\( F = \frac{GMm}{R^2} \),外行星m大,F可能更大。選(A)(C)。 報錯
ChatGPT    DeepSeek

Posted in

112物理分科測驗–16

有一環繞地球、原本保持圓周運動的人造衛星,因故失去可微調軌道使保持固定速率的動力,現受空氣阻力影響造成其離地高度逐漸變小。假設人造衛星的質量始終不變,在其失去動力後,下列敘述哪些正確?
(A)動量值始終不變
(B)角動量值逐漸變小
(C)總力學能逐漸變小
(D)重力位能逐漸變大
(E)重力位能逐漸變小

答案

高度變小,軌道半徑 \( r \) 變小。(A)錯:\( v = \sqrt{\frac{GM}{r}} \),r變小v變大,動量 \( p = mv \) 變大。(B)對:\( L = m v r = m\sqrt{GMr} \),r變小L變小。(C)對:空氣阻力作負功,總力學能減少。(D)錯(E)對:重力位能 \( U = -\frac{GMm}{r} \),r變小,U變小(負值變大)。選(B)(C)(E)。 報錯
ChatGPT    DeepSeek

Posted in

112物理分科測驗–17

下列關於電子或中子行經變換縫而在屏幕上產生干涉條紋現象之敘述,哪些正確?
(A)電子通過變換縫而使屏幕上出現干涉條紋,證明運動中的電子具有波動性
(B)把變換縫的其中之一縫封住時,電子的干涉條紋不可能發生變化
(C)要使最高能的電子造成干涉條紋,所需變換縫的間距越小
(D)電子是因為帶有電荷,所以才會產生干涉
(E)以不帶電的中子入射,一定不會產生干涉

答案

(A)對:干涉條紋證明波動性。(B)錯:封一縫變單縫,條紋改變。(C)對:高能電子波長 \( \lambda = \frac{h}{p} \) 小,條紋間距 \( \Delta y = \frac{L\lambda}{d} \),需小d。(D)(E)錯:干涉來自物質波,與帶電無關。選(A)(C)。 報錯
ChatGPT    DeepSeek

Posted in

112物理分科測驗–18

據新聞報導:在烈日下,置於汽車內的塑膠瓶裝滿水如同凸透鏡,能夠會聚光線而引起火災。同學們為探討此現象,假設塑膠瓶為瓶壁很薄可以忽略的圓柱形,橫截面如圖5所示,其中O為圓心,F為焦點。陽光可視為平行光射入水中,其中一條光線從空氣(a)射入水(w)中時,入射角為\(\theta_a\),折射角為\(\theta_w\)。表2所示為同學們約定的光波性質符號。

光波性質 週期 波速 波長
空氣(a) \(T_a\) \(v_a\) \(\lambda_a\)
水(w) \(T_w\) \(v_w\) \(\lambda_w\)

下列關於光波性質的關係,哪些正確?
(A) \(T_a > T_w\)
(B) \(T_a = T_w\)
(C) \(v_a \cos \theta_a = v_w \cos \theta_w\)
(D) \(v_a \sin \theta_a = v_w \sin \theta_w\)
(E) \(\lambda_a \sin \theta_a = \lambda_w \sin \theta_w\)

答案

頻率不變,故週期不變,(A)錯(B)對。由斯乃耳定律 \( n_a \sin\theta_a = n_w \sin\theta_w \),\( n = \frac{c}{v} \),得 \( \frac{\sin\theta_a}{v_a} = \frac{\sin\theta_w}{v_w} \Rightarrow v_a \sin\theta_w = v_w \sin\theta_a \),(C)錯(D)對。\( v = f\lambda \),\( f \) 相同,得 \( \lambda_a \sin\theta_w = \lambda_w \sin\theta_a \),(E)錯。選(B)(D)。 報錯
ChatGPT    DeepSeek

Posted in

112物理分科測驗–19

水波槽在亮度不變的穩定光源照射下,其下方的白屏幕呈現交錯的亮紋與暗紋,因而可用來觀察水波的傳播。關於兩個具有同頻率且同相、同振幅的點波源,在水波槽中進行干涉實驗,下列敘述哪些正確?
(A)增加波源間距可增加兩波源間的節線數目
(B)水波波長越長則兩波源間的腹線數目越多
(C)兩波源間的節線數目和腹線數目必定相同
(D)白屏幕上對應節線的某固定點亮度幾乎不隨時間改變
(E)白屏幕上對應腹線的某固定點亮度幾乎不隨時間改變

答案

(A)對:波源間距增大,最大波程差增大,節線數可能增加。(B)錯:波長越長,腹線數可能減少。(C)錯:腹線數為奇數,節線數為偶數。(D)對:節線破壞性干涉,亮度暗且穩定。(E)錯:腹線建設性干涉,亮度隨時間變化。選(A)(D)。 報錯
ChatGPT    DeepSeek

Posted in

112物理分科測驗–20

[題組:第20題到第21題] ◎太陽是地球能量的主要來源,太陽發光發熱的能量來源主要是經由4個質子的核融合反應,反應過程可簡化表示成:\( 4p^+ \rightarrow He^{2+} + 2e^+ + 2v_e \) 。能量,其中 \( p^+ \) 為質子,\( He^{2+} \) 為氦原子核,\( e^+ \) 為正電子,\( v_e \) 為微中子,前述反應過程為β衰變的一種。太陽的能量主要以光的形式到達地球,由於光具有粒子性,故光可視為許多光子的組成,並以光速c行進。光也具有波動性,故光也可視為以光速c行進的電磁波。若電磁波的頻率為f,其組成的光子具有能量 \( E = hf \),其中h為普朗克常數。依據以上資料,回答以下問題。
上述產生微中子的反應屬於四大基本交互作用的哪一種?(2分)

答案

產生正電子與微中子的β衰變屬於弱核力作用。答案:弱核力 報錯
ChatGPT    DeepSeek

我要來個錯題通知
Powered by